Product Summary
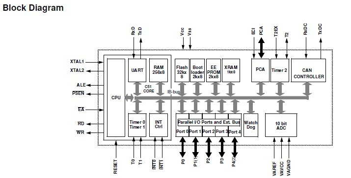
The AT89C51CC01UA-RLTUM is the first member of the CANaryTM family of 8-bit microcontroller dedicated to CAN network applications. In X2 mode a maximum external clock rate of 20 MHz reaches a 300 ns cycle time. Besides the full CAN controller AT89C51CC01UA-RLTUM provides 32K Bytes of Flash memory including In-System-Programming (ISP), 2K Bytes Boot Flash Memory, 2K Bytes EEPROM and 1.2-Kbyte RAM. Special attention is paid to the reduction of the electro-magnetic emission of AT89C51CC01UA-RLTUM.
Parametrics
AT89C51CC01UA-RLTUM absolute maximum ratings: (1)Ambiant Temperature Under Bias, I = industrial: -40℃ to 85℃; (2)Storage Temperature: -65℃ to + 150℃; (3)Voltage on VCC from VSS: -0.5V to + 6V; (4)Voltage on Any Pin from VSS: -0.5V to VCC+0.2V; (5)Power Dissipation: 1W.
Features
AT89C51CC01UA-RLTUM features: (1)80C51 Core Architecture; (2)256 Bytes of On-chip RAM; (3)1K Bytes of On-chip XRAM; (4)32K Bytes of On-chip Flash Memory; (5)Boot Code Section with Independent Lock Bits; (6)2K Bytes of On-chip Flash for Bootloader; (7)In-System Programming by On-Chip Boot Program (CAN, UART) and IAP Capability; (8)2K Bytes of On-chip EEPROM; (9)Erase/Write Cycle: 100K; (10)14-sources 4-level Interrupts; (11)Three 16-bit Timers/Counters; (12)Full Duplex UART Compatible 80C51; (13)Maximum Crystal Frequency 40 MHz, in X2 Mode, 20 MHz (CPU Core, 20 MHz); (14)Five Ports: 32 + 2 Digital I/O Lines; (15)Five-channel 16-bit PCA.
Diagrams

| Image | Part No | Mfg | Description | ![]() |
Pricing (USD) |
Quantity | ||||||||||||
|---|---|---|---|---|---|---|---|---|---|---|---|---|---|---|---|---|---|---|
![]() |
![]() AT89C51CC01UA-RLTUM |
![]() Atmel |
![]() 8-bit Microcontrollers (MCU) CAN Bootloader UART |
![]() Data Sheet |
![]()
|
|
||||||||||||
| Image | Part No | Mfg | Description | ![]() |
Pricing (USD) |
Quantity | ||||||||||||
![]() |
![]() AT8934 |
![]() TE Connectivity |
![]() General Purpose / Industrial Relays SEALED R RELAY |
![]() Data Sheet |
![]()
|
|
||||||||||||
![]() |
![]() AT8985P |
![]() Other |
![]() |
![]() Data Sheet |
![]() Negotiable |
|
||||||||||||
![]() |
![]() AT8989UP |
![]() Other |
![]() |
![]() Data Sheet |
![]() Negotiable |
|
||||||||||||
![]() |
![]() AT8992-A2-T-1 |
![]() |
![]() IC SWITCH PHY 64-TQFP |
![]() Data Sheet |
![]() Negotiable |
|
||||||||||||
![]() |
![]() AT8992M-A2-T-1 |
![]() |
![]() IC SWITCH PHY 100-MQFP |
![]() Data Sheet |
![]() Negotiable |
|
||||||||||||
![]() |
![]() AT8993-A2-T-1 |
![]() |
![]() IC SWITCH PHY 100-MQFP |
![]() Data Sheet |
![]() Negotiable |
|
||||||||||||
(China (Mainland))










