Product Summary
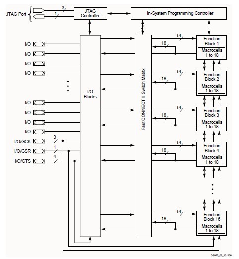
The XC95288XL-10PQG208C is a 3.3V CPLD targeted for high-performance, low-voltage applications in leading-edge communications and computing systems. It is comprised of 16 54V18 Function Blocks, providing 6,400 usable gates with propagation delays of 6 ns.
Parametrics
XC95288XL-10PQG208C absolute maximum ratings: (1)VCC Supply voltage relative to GND: –0.5 to 4.0 V; (2)VIN Input voltage relative to GND: –0.5 to 5.5 V; (3)VTS Voltage applied to 3-state output: –0.5 to 5.5 V; (4)TSTG Storage temperature (ambient): –65 to +150 ℃; (5)TSOL Maximum soldering temperature (10s @ 1/16 in. = 1.5 mm): +260 ℃; (6)TJ Junction temperature: +150 ℃.
Features
XC95288XL-10PQG208C features: (1)6 ns pin-to-pin logic delays; (2)System frequency up to 208 MHz; (3)288 macrocells with 6,400 usable gates; (4)Low power operation; (5)5V tolerant I/O pins accept 5V, 3.3V, and 2.5V signals; (6)3.3V or 2.5V output capability; (7)Advanced 0.35 micron feature size CMOS Fast FLASH. technology; (8)Fast concurrent programming; (9)Slew rate control on individual outputs; (10)Enhanced data security features; (11)Excellent quality and reliability; (12)Endurance exceeding 10,000 program/erase cycles; (13)20 year data retention; (14)ESD protection exceeding 2,000V; (15)Pin-compatible with 5V-core XC95288 device in the 208-pin HQFP package.
Diagrams

| Image | Part No | Mfg | Description | ![]() |
Pricing (USD) |
Quantity | ||||||||||||||||
|---|---|---|---|---|---|---|---|---|---|---|---|---|---|---|---|---|---|---|---|---|---|---|
![]() |
![]() XC95288XL-10PQG208C |
![]() |
![]() IC CPLD 6.4K 288MCELL 208-PQFP |
![]() Data Sheet |
![]()
|
|
||||||||||||||||
| Image | Part No | Mfg | Description | ![]() |
Pricing (USD) |
Quantity | ||||||||||||||||
![]() |
![]() XC9500 |
![]() Other |
![]() |
![]() Data Sheet |
![]() Negotiable |
|
||||||||||||||||
![]() |
![]() XC9500XV |
![]() Other |
![]() |
![]() Data Sheet |
![]() Negotiable |
|
||||||||||||||||
![]() |
![]() XC9501 |
![]() Other |
![]() |
![]() Data Sheet |
![]() Negotiable |
|
||||||||||||||||
![]() |
![]() XC9502 |
![]() Other |
![]() |
![]() Data Sheet |
![]() Negotiable |
|
||||||||||||||||
![]() |
![]() XC9503 |
![]() Other |
![]() |
![]() Data Sheet |
![]() Negotiable |
|
||||||||||||||||
![]() |
![]() XC9503B093AR-G |
![]() |
![]() IC REG BUCK ADJ 1A DL 10MSOP |
![]() Data Sheet |
![]()
|
|
||||||||||||||||
(China (Mainland))









